vik4435, Зачем вместо 10мкф на 47мкф поставил? Ставь на 10мкф. Не обязательно там на 100в я 50вольтовые ставлю. Если номинал измениш то подстроечным резистором напряжение подганять придется. Три мелких транзистора махни без проверки, у тебя гдето мелкий диод или в утечке или совсем убит.Ты проверяй их поднимая с платы, впаенные трудно прозвонить. Может еще мелкий резистор в первичке БП или оборваться или изменить номинал.
извиняюсь за долгий ответ, малость приболел, простыл где то
прочитал я все ваши советы и включил бульдозер
"FIMA" писал(а):
мелкие транзисторы и стабики в первичке БП на замену.
и не только.Диоды тоже заменять не проверяя(4148),
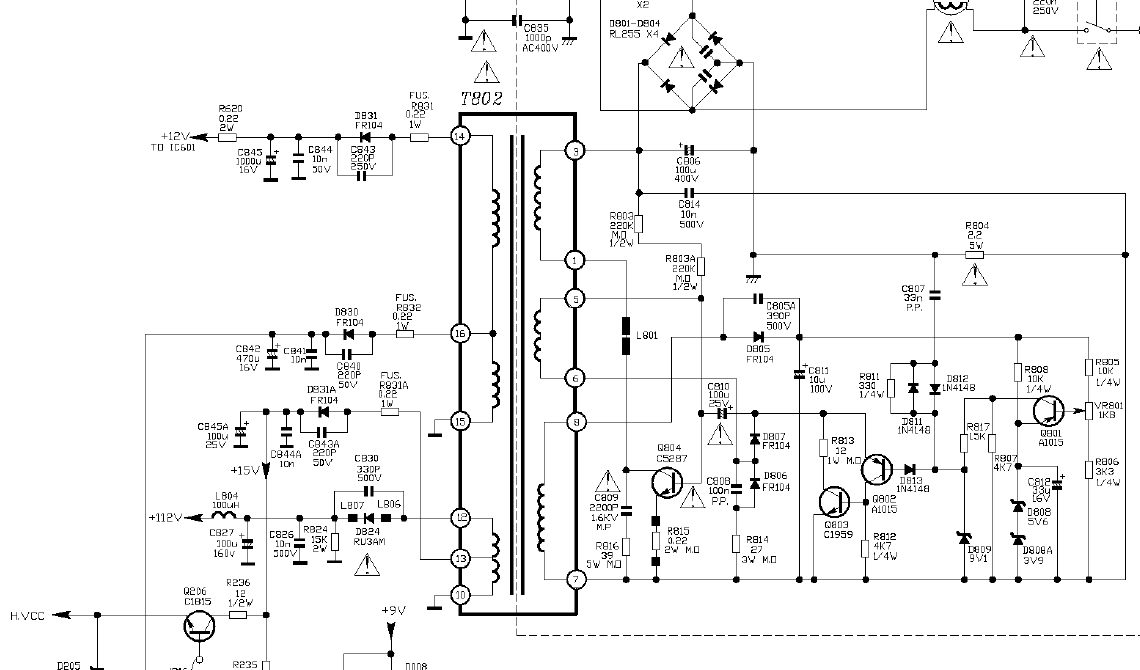
а так же заменил С420 высохла полностью и R410 (10ком) был 330 ом (изменил сопротивление) и за одно D405
включил в место нагрузки лампу 60ватт, БП запустился, произвел замеры U все в норме кроме 24в, нет вообще, похоже в ТДКС межвитковое
есть ли какой нибудь вариант запитать кадровую или только замена ТДКС?
А зачем её запитывать, ремонтируй строчную. У тебя без кадровой должна быть узкая полоса, вод и ищи её.
А потом с кадровой разберёшся.
"KREMLIN" писал(а):
Ничего не понимаю,лампа горит,ТДКС отключён,какие 24В
"Минздрав" писал(а):
куда чего включил, где произвёл, какие 24 в, с какого тут ТДКС появился?
всем спасибо.
замеры U с БП с лампой вместо нагрузки
12v - 13.1v, 112v - 113.1v, 8v - 9.2v, 15v - 15.3v
а 24в с ТДКС и не будет пока строку не запустишь, я правильно понял?
"KREMLIN" писал(а):
В схеме он параллельно VD405 звонился.Было у него 10kOm так и осталось, только увеличить он мог своё сопротивление,в это верю.
сейчас перепроверил выпаянный ранее R410 33кОм, но заменил на 10 кОм ещё раньше как писал
- Вход или регистрация для ответа
 Бывало такое и не раз.
и не только.Диоды тоже заменять не проверяя(4148),резисторы проверять выпаивая.А причиной много раз был С830,параллельно диоду по В+.
ЧЕЛОВЕК-звучит гордо,выглядит отвратительно!
- Вход или регистрация для ответа
 vik4435, Зачем вместо 10мкф на 47мкф поставил? Ставь на 10мкф. Не обязательно там на 100в я 50вольтовые ставлю. Если номинал измениш то подстроечным резистором напряжение подганять придется. Три мелких транзистора махни без проверки, у тебя гдето мелкий диод или в утечке или совсем убит.Ты проверяй их поднимая с платы, впаенные трудно прозвонить. Может еще мелкий резистор в первичке БП или оборваться или изменить номинал.
Прикрепленные файлы:
Источник нашей мудрости — наш опыт. Источник нашего опыта — наша глупость.
- Вход или регистрация для ответа
 извиняюсь за долгий ответ, малость приболел, простыл где то
прочитал я все ваши советы и включил бульдозер
а так же заменил С420 высохла полностью и R410 (10ком) был 330 ом (изменил сопротивление) и за одно D405
включил в место нагрузки лампу 60ватт, БП запустился, произвел замеры U все в норме кроме 24в, нет вообще, похоже в ТДКС межвитковое
есть ли какой нибудь вариант запитать кадровую или только замена ТДКС?
- Вход или регистрация для ответа
 Ничего не понимаю,лампа горит,ТДКС отключён,какие 24В? Если с ТДКС то он врде отключён,если с БП то причём здесь ТДКС?
- Вход или регистрация для ответа
 Ерунда какая то.
Тот же вопрос: куда чего включил, где произвёл, какие 24 в, с какого тут ТДКС появился?
Будем ремонтировать или пусть работает?
"Человеку нельзя помочь помимо его воли." Г. Померанц
- Вход или регистрация для ответа
 А зачем её запитывать, ремонтируй строчную. У тебя без кадровой должна быть узкая полоса, вод и ищи её.
А потом с кадровой разберёшся.
- Вход или регистрация для ответа
 В схеме он параллельно VD405 звонился.Было у него 10kOm так и осталось, только увеличить он мог своё сопротивление,в это верю.
Может она у него рабочая,не понятно что он там делает и что куда подключает.
Не на что не похоже,потому что не понятно что происходит.Тут уже на форуме ТПИ меняли пачками,теперь перешли на ТДКС.Кто больше?
- Вход или регистрация для ответа
 всем спасибо.
замеры U с БП с лампой вместо нагрузки
12v - 13.1v, 112v - 113.1v, 8v - 9.2v, 15v - 15.3v
а 24в с ТДКС и не будет пока строку не запустишь, я правильно понял?
сейчас перепроверил выпаянный ранее R410 33кОм, но заменил на 10 кОм ещё раньше как писал
- Вход или регистрация для ответа
 Естественно.Теперь всё понятно,нужно B+ подключить к строке и т.д.
- Вход или регистрация для ответа
 Совершенно верно.
Страницы