на корпусе model code mj 17csks
на плате model no fsp035-2p101 p\n bn 44-00082b
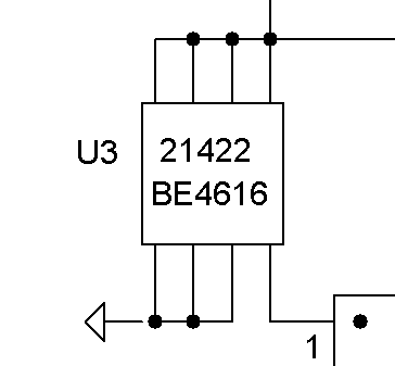
нет +13 v сгорел транзистор cmd 8 ног на нем маркировка 4422 и внизу 5BEC14 на плате U3 стоит между ШИМ и выходными транзисторами
помогите что за транзистор или его аналог даташита не нашел

- Вход или регистрация для ответа
 Это помойму,транзисторная сборка(внутри несколько штук),схема есть родная?
- Вход или регистрация для ответа
 Почему ты решил что это транзистор? :hi_hi_hi:
Прикрепленные файлы:
Источник нашей мудрости — наш опыт. Источник нашего опыта — наша глупость.
- Вход или регистрация для ответа
 Кроме этого транзистора выходные смотри, все четыре и оба транса между собой сравни. U2 на КЗ проверь. http://www.google.ru/search?ie=UTF-8&hl=ru&q=samsung%20713%20n%20%D0%BD%...
Будем ремонтировать или пусть работает?
"Человеку нельзя помочь помимо его воли." Г. Померанц