toshiba 21cs1rx не включается

30 posts / 0 новых
Последнее сообщение
vav
vav аватар
Не в сети
Регистрация: 05/05/10
Сообщения: 1338
 
Re: toshiba 21cs1rx не включается
Quote:

там же пропуск идет.после первой- нет ноги

В нормальном состоянии у микросхемы 7ног, у твоей сколько? :-)

Минздрав аватар
Не в сети
Наблюдатель
Регистрация: 10/05/10
Сообщения: 9781
 
Re: toshiba 21cs1rx не включается
"sa--shok" писал(а):

общая-3. там же пропуск идет.после первой- нет ноги

Верьёвки! sa--shok, научись ноги считать, потом ПРАВИЛЬНО сделай замеры.

Будем ремонтировать или пусть работает?
"Человеку нельзя помочь помимо его воли." Г. Померанц

sa--shok аватар
Не в сети
Регистрация: 25/07/11
Сообщения: 13
 
Re: toshiba 21cs1rx не включается

4- через 100ком на плюс

sa--shok аватар
Не в сети
Регистрация: 25/07/11
Сообщения: 13
 
Re: toshiba 21cs1rx не включается

если там нет ноги что все равно считать её? скажите нормально че смеяться то

vav
vav аватар
Не в сети
Регистрация: 05/05/10
Сообщения: 1338
 
Re: toshiba 21cs1rx не включается

С ума сдуреть! ;;-))) Ты ногу,которой якобы нету, не считай! Это на заводе специально так сделали,чтобы людей путать! ;;-)))

Минздрав аватар
Не в сети
Наблюдатель
Регистрация: 10/05/10
Сообщения: 9781
 
Re: toshiba 21cs1rx не включается

Ты на вопросы отвечать думаешь или будем ноги считать?

Будем ремонтировать или пусть работает?
"Человеку нельзя помочь помимо его воли." Г. Померанц

Raketa аватар
Не в сети
Отключен
Регистрация: 29/09/09
Сообщения: 3157
 
Re: toshiba 21cs1rx не включается

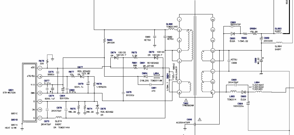
Как правило, ноги считаются и имеют номера даже при их отсутствии. Но бывают исключения.

Прикрепленные файлы: 

Возможно ли в голову за две минуты вложить опыт многих лет.
"Никакие рассуждения не в состоянии указать человеку путь, которого он не хочет видеть". Ромен Роллан

Raketa аватар
Не в сети
Отключен
Регистрация: 29/09/09
Сообщения: 3157
 
Re: toshiba 21cs1rx не включается

sa--shok, ты нагрузки на КЗ проверял? Или к десятой странице это станет фактом? Если это делал, то смотри обвязку и меняй STRW.

Возможно ли в голову за две минуты вложить опыт многих лет.
"Никакие рассуждения не в состоянии указать человеку путь, которого он не хочет видеть". Ромен Роллан

sa--shok аватар
Не в сети
Регистрация: 25/07/11
Сообщения: 13
 
Re: toshiba 21cs1rx не включается

STR заменил на 6 выводе напряжение постоянно колеблется от 0.2 до 1.5в а на 5- с 12 до 15в

Минздрав аватар
Не в сети
Наблюдатель
Регистрация: 10/05/10
Сообщения: 9781
 
Re: toshiba 21cs1rx не включается
"Raketa" писал(а):

sa--shok, ты нагрузки на КЗ проверял? Или к десятой странице это станет фактом?

"sa--shok" писал(а):

STR заменил на 6 выводе напряжение постоянно колеблется от 0.2 до 1.5в а на 5- с 12 до 15в

ППЦ!

Будем ремонтировать или пусть работает?
"Человеку нельзя помочь помимо его воли." Г. Померанц

Страницы

Темы без ответов: