Привет всем,приключилась неприятность с телевизором Rolsen 21R95,телевизору около 5 лет,вчера случайно на пульте нажал кнопку вык.и машинально сразу нажал вкл. но телевизор не включился,а запищала защита и индикатор как горел красным так и горит,еще есть предистория может она чем поможет,наверно уже год при включении изображение темное и с синевой,через некоторое время как будь-то как ламповый нагревается, все приходит в норму,сегодня впервые открыл крышку очистить от пыли и увидел что не вставлен на два штырька разьем с петли рамагничивания кинескопа,вздутых конденсаторов не обнаружил,на плато следов перегрева нет,на старом бывало сразу видно или побежалость или прогар вокруг проблемной ноги,понимаю что защита может среагировать на что угодно,но может есть совет на что обратить сразу внимание,мастеров рядом нет,старые отошли от дел,молодые не хотят вникать,а нанимать вести в райцентр это половина стоимости + ремонт и дешевле новый купить,но нет такой возможности,без телевизора вечером дома как в склепе.
19/07/2011 - 10:34

- Вход или регистрация для ответа
 Если б обнаружил, то что? Дались вам эти "вздутые"...
Есть. На шасси/состав без ошибок и пристальное внимание на измерения режимов. Вых ИП в ДР, РР, режимы ПК
в это время и
в это. Всё в тему.
Проустил. Сначала ИП в ДР. И вторичку на КЗ.
Будем ремонтировать или пусть работает?
"Человеку нельзя помочь помимо его воли." Г. Померанц
- Вход или регистрация для ответа
 И откуда же ты такой понятливый явился, но случайно? Всё случайно? Или только рождение?
Тогда зачем и к кому ты обращаешься? К тем, что "отошли от дел"?
Каяться денно и нощно в таком пути!
- Вход или регистрация для ответа
 Спасибо за помощь,если этот бред сивой кобылы считать помощью,молодой человек я писал о нашей молодежи.что в последние 15-20 лет не появилось не одного мастера,а из 3х в живых остался один и он уже не занимается ремонтом,а каяться при таком отношении к старшим,да и вообще к людям, надо все-таки Вам,а если надоело отвечать и помогать,шутка-ли столько сообщений нащелкать,голова кругом пошла от своей значимости,так это скоро пройдет,уже мало осталось,придет пенсия,а с ней склероз и новые технологии и будешь так-же как баран на новые ворота на них глядеть.
- Вход или регистрация для ответа
 Без измерений, все равно не получиться отремонтировать. Огласи выходный U-я с БП, как тебе рекомендовали, проверь выход VD817.
Прикрепленные файлы:
- Вход или регистрация для ответа
 А чем ты старше меня, пустдобол?
Если в тебе самом нет ни малейшего уважения к людям!
Тебя бараном назвать - не назову. Полный негодяй и извращенец! К чему здесь пенсия? Ты мне её платить намерен?
Ответить бы тебе без мороза, да по закону! Вот тогда бы ты свои подло-помено-вонючие подвижки "бредом сивой кобылы" не формулировал.
- Вход или регистрация для ответа
 валерий36, отповедь хорошА! Форумом не ошибся? По делу что будет? Или выборочно ответы читаем?
Будем ремонтировать или пусть работает?
"Человеку нельзя помочь помимо его воли." Г. Померанц
- Вход или регистрация для ответа
 валерий36, возьми это
http://i047.radikal.ru/1107/d2/5da126b039f8.jpg
распечатай и используй по назначению, после чего ПРОЧТИ правила и исправь тему.
В чужой монастырь со своим уставом НЕ ЛЕЗУТ
Гадания и предсказания решений по бобам, желудям, дыму, кофейной гуще...
Продажа товаров для ремонта LED подсветки, инструменты, материалы, радиодетали
- Вход или регистрация для ответа
 Андрей а как же это? Кинул бы на бобы... :-)
- Вход или регистрация для ответа
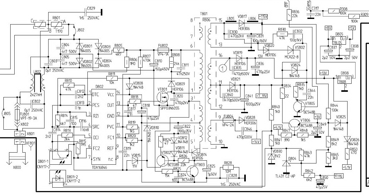
 Спасибо большое,понятно,а я надеялся что есть однотипные проблеммы когда быстро включишь после выключения и кто-то знает что может полететь.А к диоду никак не подберусь с тестером,найти нашел а вот проверить рук не хватает,кого-то надо просить лупу держать,к семи десяткам приближается все-таки,а за схемку еще раз спасибо.
- Вход или регистрация для ответа
 Зря надеялся. При невыполнении правил можно твёрдо рассчитывать только на корзину, а инфу в тему ты, видно, давать не собираешься, так что векторное направление надежд придётся сменить.
Будем ремонтировать или пусть работает?
"Человеку нельзя помочь помимо его воли." Г. Померанц
Страницы