Состав шасси:
UOC- GDETO-104-03 8897CSBNG6 PR4 - N202
FM24C16 -N201
LA78041 - N301
TA 1343NG - N603
LA 42102 - N601
CQ1265RT - N801
BSC62J2 - T432
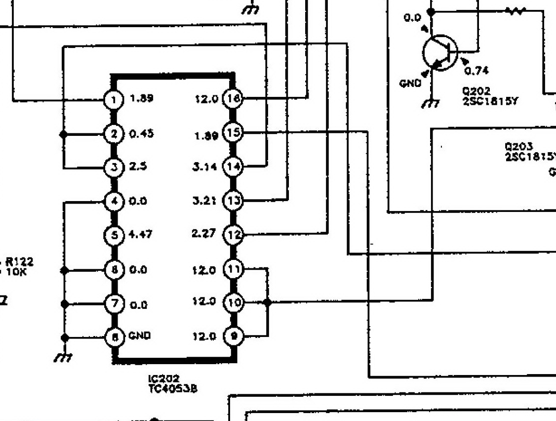
HCF 4053BP - N501
После типового дефекта - восстановления БП из-за разрушения и замыкания позистора RT801, ТВ заработал, но не работает ни один из 5ти видеовходов.
Что это - слет "мозгов" или сдох коммутатор HCF? Питалово на нем присутствует. Может кому попадалось такое. И можно рабочий дамп выложить на данный мк или ссылочку , плз....
30/06/2011 - 17:55
- Вход или регистрация для ответа
Electron 72 TK 707( клон шасси ЕТА-1D) не раб AV входы

- Вход или регистрация для ответа
 -Кроме питания на коммутатор ,я так думаю,должна подаваться команда с проца на переключение тв-ав.Если она подается,то память не слетела.Нужно отследить ее .Ну и, перемкнуть принудительно контакты коммутатора видеовхода,посмотреть,появится ли видеосигнал.
Каждому-свое.
- Вход или регистрация для ответа
 Питание коммутатора -16к, управление ->9.10.11к.
Прикрепленные файлы:
- Вход или регистрация для ответа
 А что, осцил уже отменили или нет выбора через меню?
Гадания и предсказания решений по бобам, желудям, дыму, кофейной гуще...
Продажа товаров для ремонта LED подсветки, инструменты, материалы, радиодетали
- Вход или регистрация для ответа
 Ослик у меня тяжелый, а ТВ дома у клиента :-(
- Вход или регистрация для ответа
 Это клиентам будешь декламировать. Пред, что ли, заменил?
Тестером пользоваться клиент разрешает? Хоть режимы снять, а потом уж делать выводы. Что измерил, что в меню есть, скажешь?
Включчается/нет, сигнал проходит/нет? :nez-nayu: Угадать?
Будем ремонтировать или пусть работает?
"Человеку нельзя помочь помимо его воли." Г. Померанц
- Вход или регистрация для ответа
 Плохо верится, что их там пять. Плохо верится, что они работали до того. А не работали от покупки или полгода назад уже.
- Вход или регистрация для ответа
 mixa71, я знаю, что такое: ТВ у клиента, вот посему и сменил свой классный осцил на более-менее портативный, кроме того, микры (комутаторы) в свободной продаже, управление - замеряется напрябляжометром, а сигнал (тестовый) можно подать с генератора, который сейчас, с успехом, может заменить ДВД
После этих замеров можно и в сервисе копнуть :a_g_a:
ЗЫ я так и не понял, а в меню АВ-шки переключаются?
Гадания и предсказания решений по бобам, желудям, дыму, кофейной гуще...
Продажа товаров для ремонта LED подсветки, инструменты, материалы, радиодетали