пытаюсь реанимировать старенький erisson 1401 шасси e3701-054070a, плата была изрядно побита, после пропайки тело практически заработало. не могу разобраться с цветом, картинка четкая, синий норм, чистого красного и зеленого нет вобще, вместо них оттенки золотого! пропайка дорог и микрухи видео ничего не дала. такаяж тема и на ав. ткните как говорится носом в плату где искать, тк сам телефонщик и принцип работы этого чуда техники знаю только поверхностно.
12/06/2011 - 05:00

- Вход или регистрация для ответа
 У неё имя есть?blakline, дай измерения катодов и входов на ПК.
Будем ремонтировать или пусть работает?
"Человеку нельзя помочь помимо его воли." Г. Померанц
- Вход или регистрация для ответа
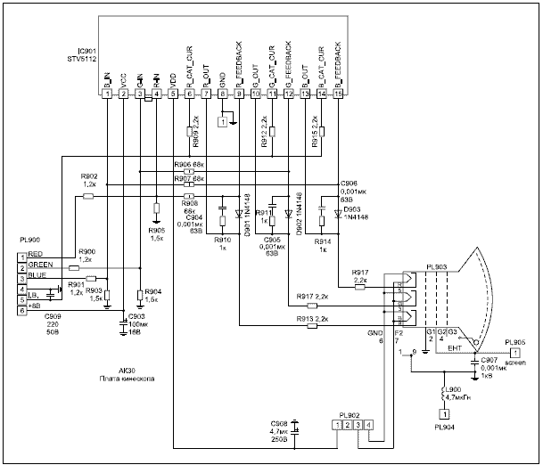
 имя выложу позже. измерения катодов дал бы, еслиб знал где искать эти самые катоды, кстати там шлеифа 5 контактного с шасси на плату кинескопа небыло, распаял проводками попорядку, может там пара ног была перекинута? :ne_vi_del:
- Вход или регистрация для ответа
 Вполне может.
Вот тебе и непонятки с цветами. :-) Надо по схеме, а не по порядку.
Если на ПК м/сх, то у неё три входа и три выхода, нужно с них напряжения.
erisson_tv_1401_circuit_MDY6_BN6R_BN87.rar Сравни.
Прикрепленные файлы:
Будем ремонтировать или пусть работает?
"Человеку нельзя помочь помимо его воли." Г. Померанц
- Вход или регистрация для ответа
 blakline Вот наверно,ты и попутал распайку RGB . Если ты особо в этом не сечешь, то сиди и подбирай распайку по пушкам на плате кинескопа. Там особо не много вариантов,можно подобрать а по правильному как это вычислить я тебе объяснять не буду. Ты всеравно эту мысль не догонишь. :hi_hi_hi:
Источник нашей мудрости — наш опыт. Источник нашего опыта — наша глупость.
- Вход или регистрация для ответа
 ща буду прикидывать! спс за инфу и советы!
- Вход или регистрация для ответа
 Вобщем меняй местами эти провода,припаивая на теже точки,глядишь и попадешь на правильные пины!!!
Источник нашей мудрости — наш опыт. Источник нашего опыта — наша глупость.
- Вход или регистрация для ответа
 Не нада ничего прикидывать, только хуже сделаешь. Отпаяй этот жгут. 1 - +12в, 2 - земля, 3 - R, 4 - G, 5 - В. Так на ПК распаяй, потом измерь и сюда.
Будем ремонтировать или пусть работает?
"Человеку нельзя помочь помимо его воли." Г. Померанц
- Вход или регистрация для ответа
 blakline Вот посмотри разводку на ПК. R-красный G-зеленый B-синий. Проще я уже не могу объяснить тебе.
Прикрепленные файлы:
Источник нашей мудрости — наш опыт. Источник нашего опыта — наша глупость.
- Вход или регистрация для ответа
 В том-то и дело, что 12В на землю засадит, потом будет ещё и их искать! Если конечно уже не было засажено..
Страждущего можно накормить рыбой, а можно дать удочку... продаст, колбаски купит!
- Вход или регистрация для ответа
 Лучше так:
без распайки и станет ясно, что куда паять.
Будем ремонтировать или пусть работает?
"Человеку нельзя помочь помимо его воли." Г. Померанц
Страницы