Прочитал тема почти как у меня 49 нога с землёй результата не даёт сравнил напряжения с другим мш 37 на 49-1.2 на 46- 6.3 заменил у больного с148 и vd106 результата нет причём на катоде и дальше до 8 ноги тдкс напряжение 6.5 в такое же как и у донора значит получается STV2249H под замену? И ещё параллельный вопрос у такого же донора(мш 37 )нет фокуса при нормальном ускоряющем а при уменьшении ускоряющего появляется фокус но соответственно нет растра при повторном перезапуске может это из за тдкс вместо рет 22-15 установлен 23-02 ?
100% утверждать не могу,но похоже процу кирдык. Я в таких случаях ставлю на панельку, среди новых процов попадается много брака. По поводу фокуса, есть много тем в инете,умей пользоваться поиском.Набираешь в Гугле или яндексе шасси и характер неисправности и ищи свой вариант. У тебя может быть межэлектродное замыкание(выжигается конденсатором),Тдкс,панель кинескопа....ищи в гугле и дерзай.
Фокус крутишь,яркость не меняется? Если да, то это МЭЗ.
Да так и есть буду проверять .
"urup56" писал(а):
100% утверждать не могу,но похоже процу кирдык.
Согласен буду подкидывать другой на панельку. Извиняюсь за редкое посещение сайта и огромное спасибо за понимание и помощь , редко встретишь таких людей как на этом форуме обычно нечего не вытянешь толкового совета
Фокус крутишь,яркость не меняется? Если да, то это МЭЗ
Некорректно сформулировал.....фокус крутишь и при этом меняется яркость,значит межэлектродное замыкание.Есть много способов прострела,найдёшь в поиске.
- Вход или регистрация для ответа
 Какой цешкой мерял? Если правильно измерил,то у тебя строка заблокирована.Я же писал,на 46 выводе должно быть больше 2,8в.
- Вход или регистрация для ответа
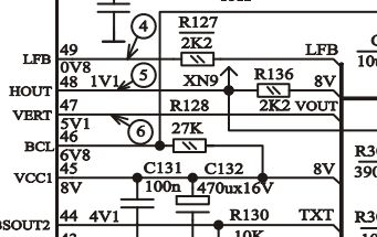
 Фрагмент схемы
Прикрепленные файлы:
- Вход или регистрация для ответа
 Кстати,ссылки читал по этой неисправности с Монитора? Там всё очень хорошо описано.
- Вход или регистрация для ответа
 вот ещё инфа
Прикрепленные файлы:
- Вход или регистрация для ответа
 Прочитал тема почти как у меня 49 нога с землёй результата не даёт сравнил напряжения с другим мш 37 на 49-1.2 на 46- 6.3 заменил у больного с148 и vd106 результата нет причём на катоде и дальше до 8 ноги тдкс напряжение 6.5 в такое же как и у донора значит получается STV2249H под замену? И ещё параллельный вопрос у такого же донора(мш 37 )нет фокуса при нормальном ускоряющем а при уменьшении ускоряющего появляется фокус но соответственно нет растра при повторном перезапуске может это из за тдкс вместо рет 22-15 установлен 23-02 ?
- Вход или регистрация для ответа
 100% утверждать не могу,но похоже процу кирдык. Я в таких случаях ставлю на панельку, среди новых процов попадается много брака. По поводу фокуса, есть много тем в инете,умей пользоваться поиском.Набираешь в Гугле или яндексе шасси и характер неисправности и ищи свой вариант. У тебя может быть межэлектродное замыкание(выжигается конденсатором),Тдкс,панель кинескопа....ищи в гугле и дерзай.
- Вход или регистрация для ответа
 http://monitor.espec.ws/section1/post728317.html
- Вход или регистрация для ответа
 Фокус крутишь,яркость не меняется? Если да, то это МЭЗ.
- Вход или регистрация для ответа
 Да так и есть буду проверять .
Согласен буду подкидывать другой на панельку. Извиняюсь за редкое посещение сайта и огромное спасибо за понимание и помощь , редко встретишь таких людей как на этом форуме обычно нечего не вытянешь толкового совета
- Вход или регистрация для ответа
 Некорректно сформулировал.....фокус крутишь и при этом меняется яркость,значит межэлектродное замыкание.Есть много способов прострела,найдёшь в поиске.
Страницы