Samsung CS-21M20ZQQ нет изображения

70 posts / 0 новых
Последнее сообщение
Минздрав аватар
Не в сети
Наблюдатель
Регистрация: 10/05/10
Сообщения: 9781
 
Re: Samsung CS-21M20ZQQ нет изображения
"t380998" писал(а):

В сервисе стрелочка показывает

В разных по разному - где стрелки, где полоска, где буквы должны цвет поменять...

"t380998" писал(а):

Я этой функцией практически не пользуюсь,

Я сейчас вообще не пользуюсь Рот до ушей , а раньше та же фигня, только ради интереса, или в сервис залез - так уж всё и посмотри.

Будем ремонтировать или пусть работает?
"Человеку нельзя помочь помимо его воли." Г. Померанц

makc59 аватар
Не в сети
Регистрация: 21/01/14
Сообщения: 54
 
Re: Samsung CS-21M20ZQQ нет изображения

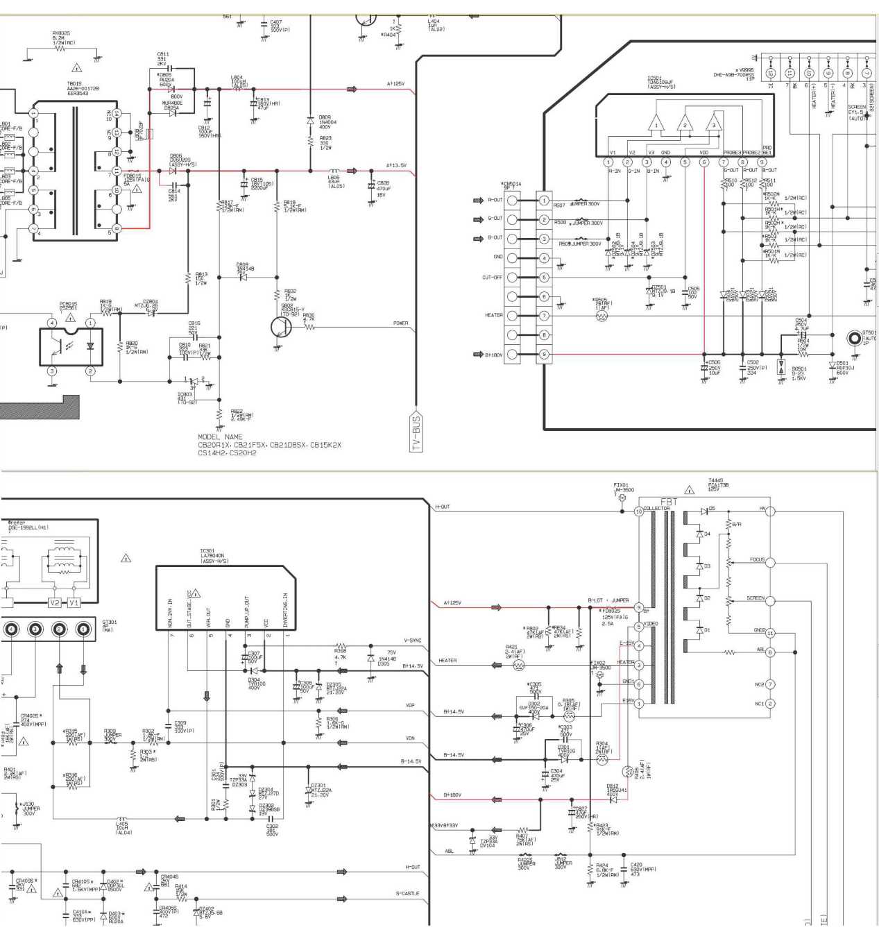
Замерил ТДКС на 9 ноге в РР 127,6В
на 1 - 1В, на С306 - 15,5В в РР
на 4 -2В, на С304 - 14,3В в РР
На 5 ноге напряжение меняется от 0В до 5В в РР
на 9 ноге в РР 127,6В
На ПК TDA6109JF в РР
1, 2, 3 ноги - 0 В, на 7, 8, 9 - 170В
на С813 - 127,6В
на С827 - 172В
на С828 - 12,24В

Прикрепленные файлы: 

t380998 аватар
Не в сети
Монтер
Регистрация: 16/12/12
Сообщения: 1495
 
Re: Samsung CS-21M20ZQQ нет изображения
"makc59" писал(а):

на 5 172В, в ДР 1,5-2,3 В.

На 5 ножке ТДКС не может быть 172в, скорее всего ты замерял на С827 (после диода D812)
Не делай больше таких глупых ошибок (не вводи в заблуждение).

Александр Россия

makc59 аватар
Не в сети
Регистрация: 21/01/14
Сообщения: 54
 
Re: Samsung CS-21M20ZQQ нет изображения

Извиняюсь. На 5 ноге напряжение меняется от 0В до 5В в РР
Изображения нет.

t380998 аватар
Не в сети
Монтер
Регистрация: 16/12/12
Сообщения: 1495
 
Re: Samsung CS-21M20ZQQ нет изображения
"makc59" писал(а):

Извиняюсь. На 5 ноге напряжение меняется от 0В до 5В в РР

makc59, ты даже сам не представляешь, какую глупость написал.
Не хочу тетя обидеть, но с такими знаниями тему нужно открывать в разделе «Школа ремонта»
Хорошо бы ты сам догадался, что не так.

Александр Россия

Минздрав аватар
Не в сети
Наблюдатель
Регистрация: 10/05/10
Сообщения: 9781
 
Re: Samsung CS-21M20ZQQ нет изображения
"makc59"] Замерил ТДКС [quote="makc59" писал(а):

На 5 ноге напряжение меняется от 0В до 5В в РР

"makc59" писал(а):

На 5 ноге напряжение меняется от 0В до 5В в РР

makc59, ты про какую "ногу" пишешь? Напр. какое и чем измерено? Термин "выпрямитель" знаком? Что на ПК - катоды и скрин? Накал светит?

Будем ремонтировать или пусть работает?
"Человеку нельзя помочь помимо его воли." Г. Померанц

makc59 аватар
Не в сети
Регистрация: 21/01/14
Сообщения: 54
 
Re: Samsung CS-21M20ZQQ нет изображения

На схеме нога 5 на ТДКС, которая после D812 и R406. Измерял тестером М830В
Накал есть

Минздрав аватар
Не в сети
Наблюдатель
Регистрация: 10/05/10
Сообщения: 9781
 
Re: Samsung CS-21M20ZQQ нет изображения
"makc59" писал(а):

На схеме нога 5 на ТДКС, которая после D812 и R406.

Ты здоров? Закусываешь хорошо? Чего за бред пишешь? А ДО

"makc59" писал(а):

D812 и R406

тогда что?

"Минздрав" писал(а):

Напр. какое?

"Минздрав" писал(а):

Термин "выпрямитель" знаком?

"Минздрав" писал(а):

Что на ПК - катоды и скрин? Накал светит?

Будем ремонтировать или пусть работает?
"Человеку нельзя помочь помимо его воли." Г. Померанц

makc59 аватар
Не в сети
Регистрация: 21/01/14
Сообщения: 54
 
Re: Samsung CS-21M20ZQQ нет изображения

Нет изображения. Каналы переключаются, звук есть, но на экран ничего кроме того скрина не выводится. Напряжения выложил. Что еще смотреть?

makc59 аватар
Не в сети
Регистрация: 21/01/14
Сообщения: 54
 
Re: Samsung CS-21M20ZQQ нет изображения

Этот тестер показывал неверно, Замерил другим.
С306 - 15,9В
С304 - 14,5В
ТДКС в РР
1- 8,9В
3- (HEATER) 1,2В
4- 8,2В
5- 12,5В
8 (ABL) - 3,4В
9 - 130В
На ПК TDA6109JF в РР
1 - 4,2В
2 - 4В
3 - 4,2В
на 7, 8, 9 - 170В
Приношу извинения...Что можете сказать?

Страницы

Темы без ответов: