Ну у меня фотика нема,а с мюбилы ничего не разглядишь.
"madhands" писал(а):
остался КИТовский вариант - работает круче
madhands, в чём выражается крутость?
"alexander3311" писал(а):
Сильно не пинать -год в работе.
А что пинать,корпус белый и в работе год,вот и имеем немножко не презентабельный вид.Вообще фото просил чтоб посмотреть как решена упаковка в корпус.У меня конечно другая идея,если попадёт мне этот прибор когда нибудь в руки.
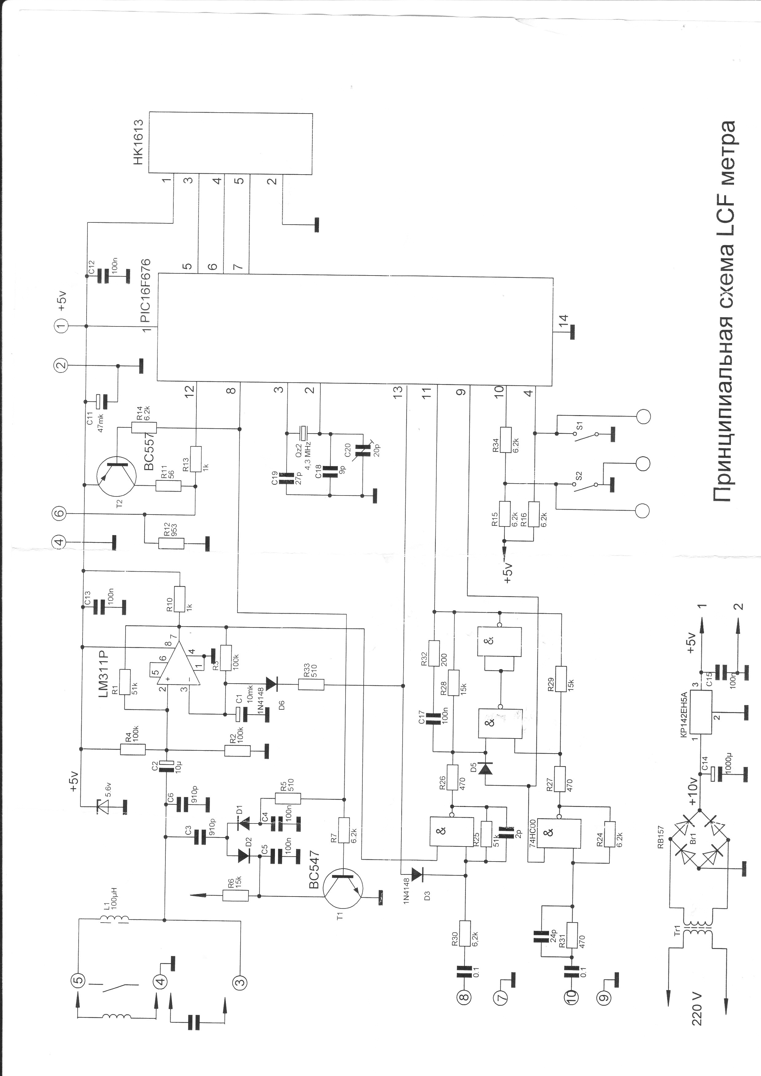
AleksNew, а мой вариант не заинтересовал? 3 в одном,измеритель ёмкости,индуктивности,частотомер,диапазон измерений 1 диапазон:0,1рF-0,2мкФ, 2 дипазон:0,2мкФ-10000мкФ,Индуктивность: от 0.01мкГ-2 Гн. Частотомер : 1гц-50мГц.
Спасибо всем, кто откликнулся. Буду изучать инфу. Сами знаете, если мы ревностно относимся к покупке паяльника, что говорить о приобретении нового прибора. Судя по форумам, многие имеют измерители емкости, а обсуждения или рекомендаций (положительные или отрицательные стороны) практически нет.
"birluk" писал(а):
а мой вариант не заинтересовал
Ты имеешь в виду NM8032? Вроде как неплохой, но все мы обленились, хотелось бы с цифровым индикатором, хотя раньше перемножали на 3 и 5 и ничего. Однако буду думать.
- Вход или регистрация для ответа
 Ну у меня фотика нема,а с мюбилы ничего не разглядишь.
madhands, в чём выражается крутость?
А что пинать,корпус белый и в работе год,вот и имеем немножко не презентабельный вид.Вообще фото просил чтоб посмотреть как решена упаковка в корпус.У меня конечно другая идея,если попадёт мне этот прибор когда нибудь в руки.
- Вход или регистрация для ответа
 AleksNew, а мой вариант не заинтересовал? 3 в одном,измеритель ёмкости,индуктивности,частотомер,диапазон измерений 1 диапазон:0,1рF-0,2мкФ, 2 дипазон:0,2мкФ-10000мкФ,Индуктивность: от 0.01мкГ-2 Гн. Частотомер : 1гц-50мГц.
- Вход или регистрация для ответа
 Спасибо всем, кто откликнулся. Буду изучать инфу. Сами знаете, если мы ревностно относимся к покупке паяльника, что говорить о приобретении нового прибора. Судя по форумам, многие имеют измерители емкости, а обсуждения или рекомендаций (положительные или отрицательные стороны) практически нет.
Ты имеешь в виду NM8032? Вроде как неплохой, но все мы обленились, хотелось бы с цифровым индикатором, хотя раньше перемножали на 3 и 5 и ничего. Однако буду думать.
- Вход или регистрация для ответа
 Вот ещё ESR -meter встроенный в обычный мультиметр ,подробное описание и схема ссылка
- Вход или регистрация для ответа
 Выбрал прибор и заказал, придет отпишусь + и -. Но думаю + будет больше
- Вход или регистрация для ответа
 нет другой(3 в одном),на первой странице фотку давал.
- Вход или регистрация для ответа
 На фотке не прописана модель (измеритель емкости индуктивности частотомер), поэтому видимо и не понял.
- Вход или регистрация для ответа
 Маловато что-то народа в обсуждении участвуют.Такое очучение,что пользуются индикатором в лучшем случае Ц20,ну а ТЛ-4М вообще круто.
- Вход или регистрация для ответа
 Нет конечно.Когда стал вопрос о проверке литов, купил китайца DM-6013L. Года два пользуюсь. Пока не подводил.
- Вход или регистрация для ответа
 нет там модели,собирал с набора усё работает. Получается я моделист-конструктор
Схемку сейчас поищу ,прикреплю.
Прикрепленные файлы:
Страницы