Телевизор Akai CT-G140 растра нет

41 сообщение / 0 новых
Последнее сообщение
madhands аватар
Не в сети
Шаман
Регистрация: 27/12/09
Сообщения: 4090
 
Re: Телевизор Akai CT-G140 растра нет
"birluk" писал(а):

Только не вздумай тестером мерить!

Это правильно, только на язык мерять нужно и никак иначе :a_g_a:
(kolj, только не вздумай меня слушать!!!)

Гадания и предсказания решений по бобам, желудям, дыму, кофейной гуще...
Продажа товаров для ремонта LED подсветки, инструменты, материалы, радиодетали

kolj аватар
Не в сети
Регистрация: 11/01/12
Сообщения: 16
 
Re: Телевизор Akai CT-G140 растра нет

Ещё нашлась неисправность -вылетело 2 транзистора BUT11 в блоке питания.
BUT11 можно заменить на КТ846б ???

фотон аватар
Не в сети
Регистрация: 10/12/10
Сообщения: 1141
 
Re: Телевизор Akai CT-G140 растра нет
"kolj" писал(а):

Строчная работает,Кадровая работает.

"kolj" писал(а):

Ещё нашлась неисправность -вылетело 2 транзистора BUT11 в блоке питания.

:-) :co_ol:

Минздрав аватар
Не в сети
Наблюдатель
Регистрация: 10/05/10
Сообщения: 9781
 
Re: Телевизор Akai CT-G140 растра нет
"kolj" писал(а):

-вылетело 2 транзистора BUT11 в блоке питания.

kolj, поз. номера не указал.

"kolj" писал(а):

BUT11 можно заменить на КТ846б ???

Поэтому неизвестно.

Будем ремонтировать или пусть работает?
"Человеку нельзя помочь помимо его воли." Г. Померанц

Maus аватар
Не в сети
Художник
Регистрация: 15/03/11
Сообщения: 1453
 
Re: Телевизор Akai CT-G140 растра нет

kolj А что у тебя в БП BUT 11 делают? :sh_ok: Может их кто до тебя туда впендюрил? Может только если стоит он там в качестве силового транзистора и если он убит, то каким же оброзом БП работает? :dan_ser: Ты случайно БП с СР не путаешь? Может у тебя строчный ключ убит, там может такой стоять BUT 11AX.

Источник нашей мудрости — наш опыт. Источник нашего опыта — наша глупость.

kolj аватар
Не в сети
Регистрация: 11/01/12
Сообщения: 16
 
Re: Телевизор Akai CT-G140 растра нет

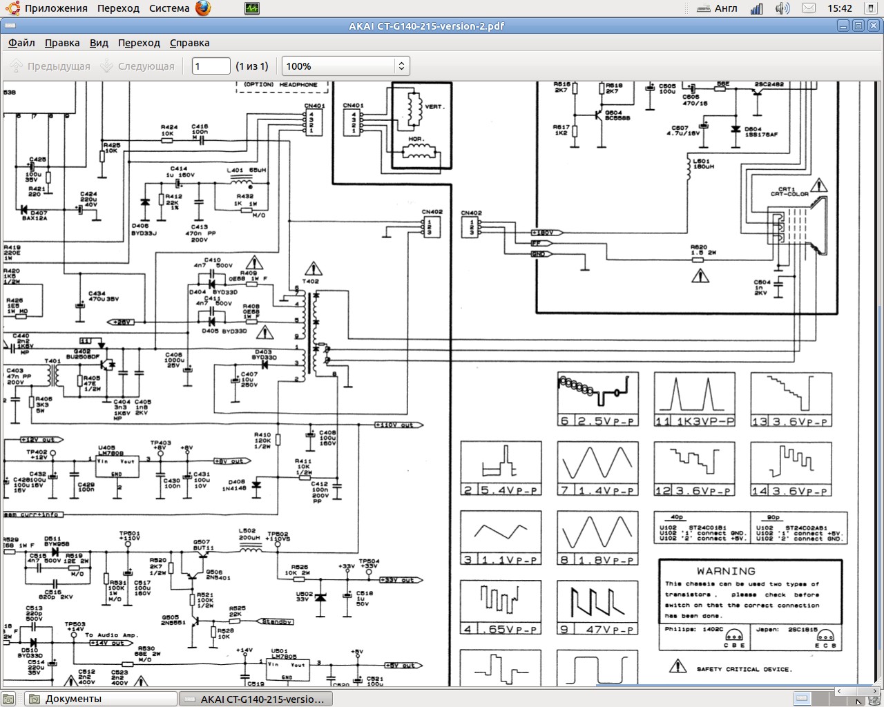
По схеме Q507 (BUT11) i Q505 - полетели.

Минздрав аватар
Не в сети
Наблюдатель
Регистрация: 10/05/10
Сообщения: 9781
 
Re: Телевизор Akai CT-G140 растра нет
"kolj" писал(а):

По схеме Q507 (BUT11) i Q505

kolj, что у тебя за схема такая? И при чём тут (5ХХ) БП?
Схема и измерения будут в конце концов!?

Будем ремонтировать или пусть работает?
"Человеку нельзя помочь помимо его воли." Г. Померанц

kolj аватар
Не в сети
Регистрация: 11/01/12
Сообщения: 16
 
Re: Телевизор Akai CT-G140 растра нет

схема

Прикрепленные файлы: 

Минздрав аватар
Не в сети
Наблюдатель
Регистрация: 10/05/10
Сообщения: 9781
 
Re: Телевизор Akai CT-G140 растра нет
"kolj" писал(а):

схема

Оч хорошо.

"kolj" писал(а):

Akai CT-G140

А это кто писал?
Сравнивай Akai CT-G140_G215.rar
и давай по правилам, сначала. Или к угадателям.

Прикрепленные файлы: 

Будем ремонтировать или пусть работает?
"Человеку нельзя помочь помимо его воли." Г. Померанц

kolj аватар
Не в сети
Регистрация: 11/01/12
Сообщения: 16
 
Re: Телевизор Akai CT-G140 растра нет

Предложенный архив (Минздрав) не подходит.
По моей схеме полетели Q507 i Q505 . Можно ли заменить BUT11 на КТ846Б.- т.к. BUT11 нет в наличии.

Страницы

Темы без ответов: