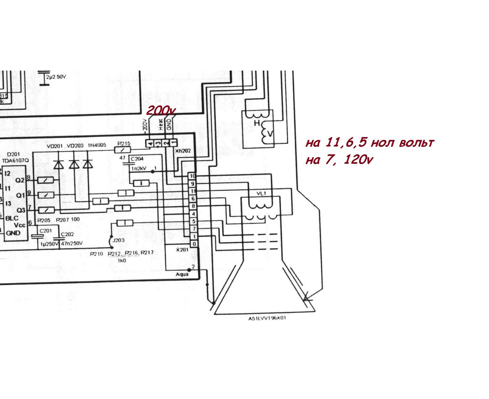
ВУ =120v ускоряющее 200 ровно, экран посветлел и задрожял ЛОХ остались и такое впечатленье, что пробивает переменка, будто нет фильтрации или электролиты посохли, но до катаклизма всё было в норме :ne_ne_ne:
Видеоусилитель у тебя,возможно, не работает.Питание ВУ ты не выставишь-сколько есть,столько и есть.Нужно измерить напряжения на катодах.И что на входе (RGB)в вольтах.
- Вход или регистрация для ответа
 ВУ = 185v
- Вход или регистрация для ответа
 ВУ =120v ускоряющее 200 ровно, экран посветлел и задрожял ЛОХ остались и такое впечатленье, что пробивает переменка, будто нет фильтрации или электролиты посохли, но до катаклизма всё было в норме :ne_ne_ne:
- Вход или регистрация для ответа
 Видеоусилитель у тебя,возможно, не работает.Питание ВУ ты не выставишь-сколько есть,столько и есть.Нужно измерить напряжения на катодах.И что на входе (RGB)в вольтах.
Каждому-свое.
- Вход или регистрация для ответа
 ??? Лит там по питанию ву на 250 вольт проверь.
Каждому-свое.
- Вход или регистрация для ответа
 Чем это выставил? Как? :sh_ok:
Не, давай без разброса, не б.м., а в вольтах.
Напряжения на ножках.
Будем ремонтировать или пусть работает?
"Человеку нельзя помочь помимо его воли." Г. Померанц
- Вход или регистрация для ответа
 сколько должно быть на катодах в норме ?
- Вход или регистрация для ответа
 Чёрт знает что! Лит там замени. Катоды меряй в вольтах, а не нормах.
Будем ремонтировать или пусть работает?
"Человеку нельзя помочь помимо его воли." Г. Померанц
- Вход или регистрация для ответа
 В+ замерь,должно быть 105 вольт.На катодах сколько?Не спрашивай,давай напряжения.
Каждому-свое.
- Вход или регистрация для ответа
 Замерял на самой трубе ничего нет ?
Прикрепленные файлы:
- Вход или регистрация для ответа
 R215 в обрыве щас буду поменять
Страницы