У меня этой проги нет (вроде :nez-nayu:), пока не нада. :hi_hi_hi: Вот, для тракторов собираю: 88cd683a91cea528-main.jpg
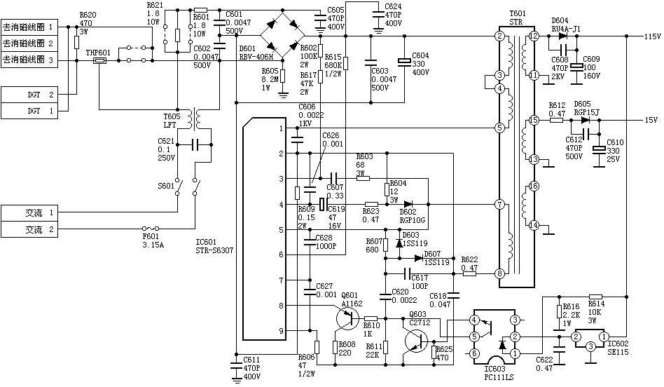
Ребята может кто скинет нормальную схемку на телевизор. которая в архиве там все расплывчато.ничего не понять. Вобщем заменил диодную сборку и микросхему S6307 телек включается растр есть но сильно греется резистор (до дымка) R604 он целый но по схеме найти его не могу ничего не понять. помогите со схемкой.почта ra3vjn@mail.ru
- Вход или регистрация для ответа
 ra3vjn, не заработает на этом телик, зуб даю. А развлекаться мы тоже умеем: http://www.tvservice.org/forum/viewtopic.php?f=1&t=1619
Будем ремонтировать или пусть работает?
"Человеку нельзя помочь помимо его воли." Г. Померанц
- Вход или регистрация для ответа
 - Вход или регистрация для ответа
 - Вход или регистрация для ответа
 Журнал РАДИО № 10 1999 год.Надеюсь найдешь в инете. Все о микросхеме 6307.
Каждому-свое.
- Вход или регистрация для ответа
 ra3vjn, разбирайся сам. У меня не открывается. Вот смотри: STRS6307.png Понял, для чего состав писать нада?
Прикрепленные файлы:
Будем ремонтировать или пусть работает?
"Человеку нельзя помочь помимо его воли." Г. Померанц
- Вход или регистрация для ответа
 ребята, спасибо огромное. буду разбираться. хорошо что вы есть :a_g_a:
- Вход или регистрация для ответа
 смотрю :sh_ok: открывается :nez-nayu:
Гадания и предсказания решений по бобам, желудям, дыму, кофейной гуще...
Продажа товаров для ремонта LED подсветки, инструменты, материалы, радиодетали
- Вход или регистрация для ответа
 У меня этой проги нет (вроде :nez-nayu:), пока не нада. :hi_hi_hi: Вот, для тракторов собираю: 88cd683a91cea528-main.jpg
Прикрепленные файлы:
Будем ремонтировать или пусть работает?
"Человеку нельзя помочь помимо его воли." Г. Померанц
- Вход или регистрация для ответа
 Ребята может кто скинет нормальную схемку на телевизор. которая в архиве там все расплывчато.ничего не понять. Вобщем заменил диодную сборку и микросхему S6307 телек включается растр есть но сильно греется резистор (до дымка) R604 он целый но по схеме найти его не могу ничего не понять. помогите со схемкой.почта ra3vjn@mail.ru
- Вход или регистрация для ответа
 10ом, микра звуковая дохлая, видать.
Будем ремонтировать или пусть работает?
"Человеку нельзя помочь помимо его воли." Г. Померанц
Страницы