Томсон шасси ЕТС210.Ошибка N47.Решено.

35 posts / 0 новых
Последнее сообщение
eshelon аватар
Не в сети
Регистрация: 23/10/09
Сообщения: 617
 
Re: Томсон шасси ЕТС210.Ошибка N47.
"Raketa" писал(а):

По теме-то что? Слюдяная прокладка? А как без прокладки-то оно работало много лет?

А там всегда была прокладка

eshelon аватар
Не в сети
Регистрация: 23/10/09
Сообщения: 617
 
Re: Томсон шасси ЕТС210.Ошибка N47.
"Минздрав" писал(а):

Отключи КОК и быстро померяй напруги.

Минздрав докладываю: при отключённой КОК напряжение на КР -13,5 +11,8 53в

zews аватар
Не в сети
Тунеядец
Регистрация: 07/11/10
Сообщения: 1528
 
Re: Томсон шасси ЕТС210.Ошибка N47.

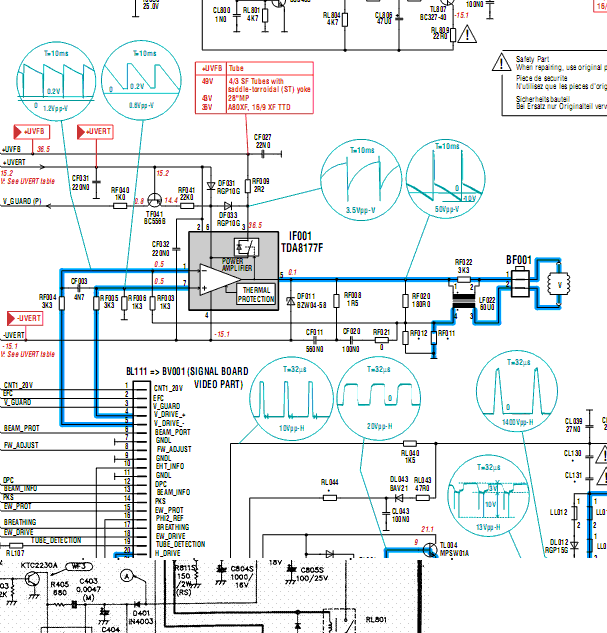
Труба какая,почему не пишешь? Видишь на схеме подписаны напряжения соответствующие трубе.

Прикрепленные файлы: 

Каждому-свое.

zews аватар
Не в сети
Тунеядец
Регистрация: 07/11/10
Сообщения: 1528
 
Re: Томсон шасси ЕТС210.Ошибка N47.

Вот еще

Прикрепленные файлы: 

Каждому-свое.

eshelon аватар
Не в сети
Регистрация: 23/10/09
Сообщения: 617
 
Re: Томсон шасси ЕТС210.Ошибка N47.
"zews" писал(а):

Труба какая,почему не пишешь? Видишь на схеме подписаны напряжения соответствующие трубе.

Труба A68ELA011X121

Дубровский аватар
Не в сети
Модератор
Регистрация: 22/09/10
Сообщения: 2013
 
Re: Томсон шасси ЕТС210.Ошибка N47.

Raketa, eshelon Давайте завязывайте в темах перепалки строчить! В личке выясняйте отношения и не засоряйте темы.

Страждущего можно накормить рыбой, а можно дать удочку... продаст, колбаски купит!

Минздрав аватар
Не в сети
Наблюдатель
Регистрация: 10/05/10
Сообщения: 9781
 
Re: Томсон шасси ЕТС210.Ошибка N47.
"zews" писал(а):

Видишь на схеме подписаны напряжения соответствующие трубе.

Я эту штуку у себя еле нашёл.

"eshelon" писал(а):

Труба A68ELA011X121

"eshelon" писал(а):

напряжение на КР -13,5 +11,8 53в

Тогда то выходит всё в порядке. :nez-nayu:

Будем ремонтировать или пусть работает?
"Человеку нельзя помочь помимо его воли." Г. Померанц

eshelon аватар
Не в сети
Регистрация: 23/10/09
Сообщения: 617
 
Re: Томсон шасси ЕТС210.Ошибка N47.

слабоват был резюк.

Raketa аватар
Не в сети
Отключен
Регистрация: 29/09/09
Сообщения: 3157
 
Re: Томсон шасси ЕТС210.Ошибка N47.
"eshelon" писал(а):

слабоват был резюк

Тогда с какой целью так много написано тобой о прокладке и без малого странных измерениях?
Как минимум, семь лет телу, и он был не слаб такой продолжительный период времени?

Возможно ли в голову за две минуты вложить опыт многих лет.
"Никакие рассуждения не в состоянии указать человеку путь, которого он не хочет видеть". Ромен Роллан

eshelon аватар
Не в сети
Регистрация: 23/10/09
Сообщения: 617
 
Re: Томсон шасси ЕТС210.Ошибка N47.

Речь шла не о прокладках и резюке,а о тв и ,что спровоцировало

Страницы

Темы без ответов: